Дом / коттедж / дача, Константиново, Железнодорожная 638, цена 16000000 руб.
Московская область, Раменское,
Константиново с., Железнодорожная 638
Растояние от МКАД: 22
16 000 000 руб.
Шоссе: Каширское
Константиново с., Железнодорожная 638
Растояние от МКАД: 22
16 000 000 руб.
Шоссе: Каширское
Площадь строения: 160 м²
Площадь участка: 6 соток
Материал стен: Пеноблоки
Кадастровый номер: 50:23:0040435:309
Этажей: 2
Газ: Есть
Бассейн: Нет
Сауна: Нет
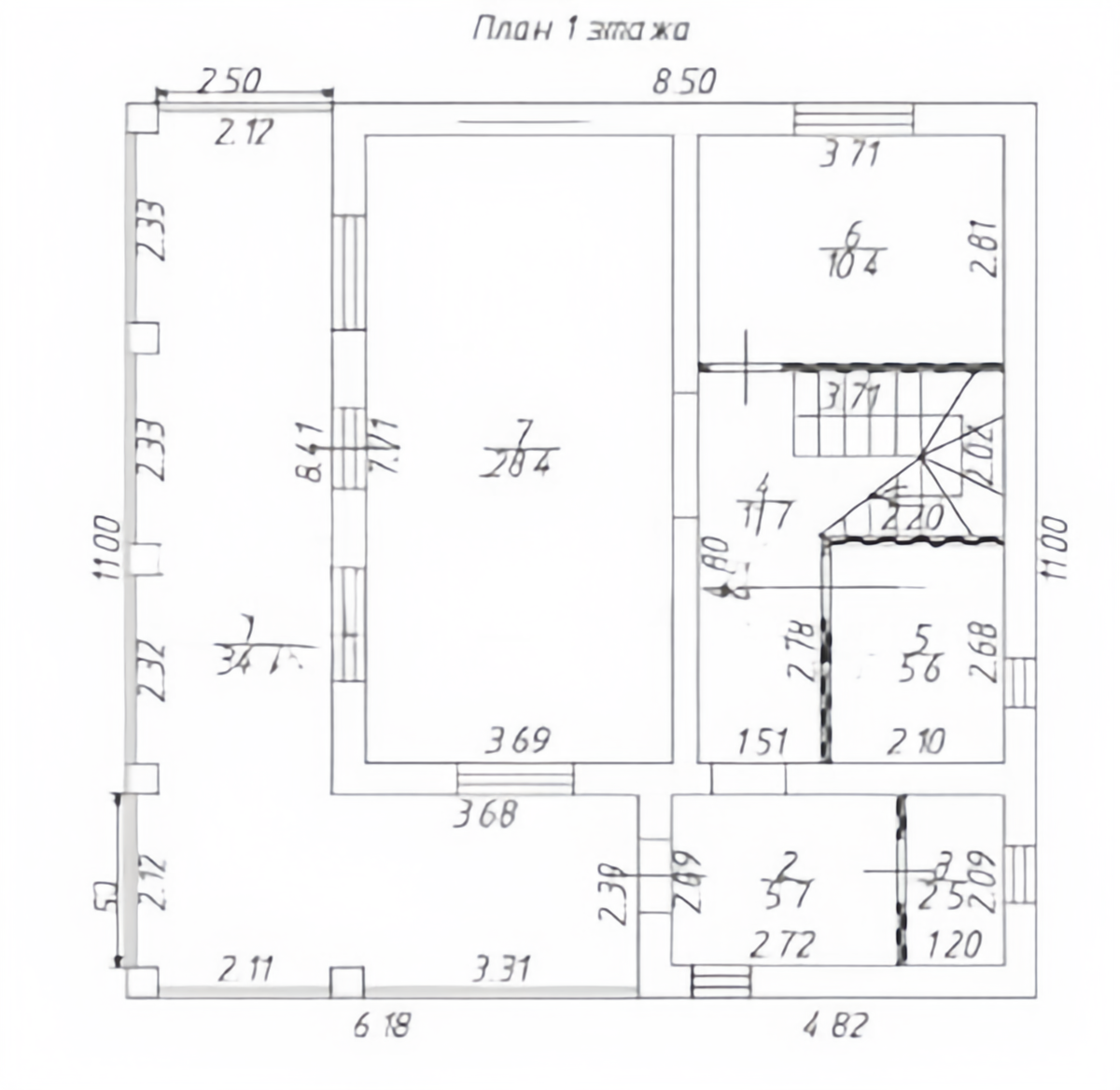
Продаётся новый, полностью готовый к проживанию дом 160 м² на участке 6 соток в с. Константиново, Раменский район, всего 22 км от МКАД по Каширскому или Новорязанскому шоссе. Дом подходит под семейную ипотеку.
О доме и участке
• Материал стены: тёплый газоблок, утеплитель, кирпич.
• Площадь дома: 160 м²
• Участок: 6 соток, ровный, огорожен забором.
• Категория земель: земли населённых пунктов, ЛПХ (можно прописаться, вести хозяйство)
• Дом и участок оформлены, есть кадастровые номера, ЕГРН – быстрый и чистый выход на сделку
• Газ по границе участка – возможность в любой момент завести газ в дом
Планировка комфортная для семьи
1-й этаж:
• Просторная прихожая
• Бойлерная/техпомещение
• Санузел
• Большая кухня-гостиная для семьи и гостей, с выходом на большую веранду.
• Отдельная изолированная комната (спальня, кабинет или комната для родителей)
• Большая угловая веранда – идеальное место для отдыха в тёплое время года
2-й этаж:
• Три полноценные комнаты правильной формы
• Удобная гардеробная
• Второй санузел – никакой очереди по утрам
Отделка – заезжай и живи
На первом этаже:
• Пол – плитка (практично и долговечно)
• Стены – оштукатурены и окрашены качественной краской
• Потолки – натяжные
На втором этаже:
• Пол – ламинат
• Стены – окрашены
• Потолки – натяжные
Все выполнено в нейтральных тонах – легко расставить мебель и декор «под себя».
Технические характеристики – надёжность и экономия
• Фундамент: глубокий ленточный + стяжка на 1-м этаже
• Перекрытия: между этажами – бетонные плиты
• Электричество: 15 кВт, три фазы, полностью разведено по дому
• Отопление: электрокотёл
• 1-й этаж – водяной тёплый пол (комфорт и экономия)
• 2-й этаж – радиаторы
• Вода: своя скважина 60 метров – всегда чистая вода без платежей за водоснабжение
• Канализация: септик
• Окна: пластиковые, двухкамерные стеклопакеты
• Крыша: металлочерепица
Дом тёплый, сухой.
Инфраструктура – всё рядом
В пешей доступности:
• Школа – 5 минут ходьбы
• Детский сад – около 10 минут пешком
• Сетевые магазины
• Автобусная остановка
• Больница
Удобный выезд на Каширское и Новорязанское шоссе, до Москвы – комфортные 20–30 минут на авто (в зависимости от времени суток).
Ипотека и сопровождение
• Дом подходит под семейную ипотеку
• Работаем со многими банками
• Бесплатно поможем одобрить ипотеку именно под этот дом
• Полное юридическое сопровождение до получения Вами права собственности
• По желанию можем построить похожий дом на вашем участке
Идеальный вариант для семьи, которая хочет жить в своём новом доме уже сейчас, без ремонта и долгого ожидания стройки.
Площадь участка: 6 соток
Материал стен: Пеноблоки
Кадастровый номер: 50:23:0040435:309
Этажей: 2
Газ: Есть
Бассейн: Нет
Сауна: Нет
Продаётся новый, полностью готовый к проживанию дом 160 м² на участке 6 соток в с. Константиново, Раменский район, всего 22 км от МКАД по Каширскому или Новорязанскому шоссе. Дом подходит под семейную ипотеку.
О доме и участке
• Материал стены: тёплый газоблок, утеплитель, кирпич.
• Площадь дома: 160 м²
• Участок: 6 соток, ровный, огорожен забором.
• Категория земель: земли населённых пунктов, ЛПХ (можно прописаться, вести хозяйство)
• Дом и участок оформлены, есть кадастровые номера, ЕГРН – быстрый и чистый выход на сделку
• Газ по границе участка – возможность в любой момент завести газ в дом
Планировка комфортная для семьи
1-й этаж:
• Просторная прихожая
• Бойлерная/техпомещение
• Санузел
• Большая кухня-гостиная для семьи и гостей, с выходом на большую веранду.
• Отдельная изолированная комната (спальня, кабинет или комната для родителей)
• Большая угловая веранда – идеальное место для отдыха в тёплое время года
2-й этаж:
• Три полноценные комнаты правильной формы
• Удобная гардеробная
• Второй санузел – никакой очереди по утрам
Отделка – заезжай и живи
На первом этаже:
• Пол – плитка (практично и долговечно)
• Стены – оштукатурены и окрашены качественной краской
• Потолки – натяжные
На втором этаже:
• Пол – ламинат
• Стены – окрашены
• Потолки – натяжные
Все выполнено в нейтральных тонах – легко расставить мебель и декор «под себя».
Технические характеристики – надёжность и экономия
• Фундамент: глубокий ленточный + стяжка на 1-м этаже
• Перекрытия: между этажами – бетонные плиты
• Электричество: 15 кВт, три фазы, полностью разведено по дому
• Отопление: электрокотёл
• 1-й этаж – водяной тёплый пол (комфорт и экономия)
• 2-й этаж – радиаторы
• Вода: своя скважина 60 метров – всегда чистая вода без платежей за водоснабжение
• Канализация: септик
• Окна: пластиковые, двухкамерные стеклопакеты
• Крыша: металлочерепица
Дом тёплый, сухой.
Инфраструктура – всё рядом
В пешей доступности:
• Школа – 5 минут ходьбы
• Детский сад – около 10 минут пешком
• Сетевые магазины
• Автобусная остановка
• Больница
Удобный выезд на Каширское и Новорязанское шоссе, до Москвы – комфортные 20–30 минут на авто (в зависимости от времени суток).
Ипотека и сопровождение
• Дом подходит под семейную ипотеку
• Работаем со многими банками
• Бесплатно поможем одобрить ипотеку именно под этот дом
• Полное юридическое сопровождение до получения Вами права собственности
• По желанию можем построить похожий дом на вашем участке
Идеальный вариант для семьи, которая хочет жить в своём новом доме уже сейчас, без ремонта и долгого ожидания стройки.
Продажа квартир
Аренда квартир
Загородная недвижимость
Коммерческая недвижимость
Элитная недвижимость


























