Дом / коттедж / дача, Константиново, 638, цена 16450000 руб.
Московская область, Раменское,
Константиново с., 638
Растояние от МКАД: 30
16 450 000 руб.
Шоссе: Новорязанское
Константиново с., 638
Растояние от МКАД: 30
16 450 000 руб.
Шоссе: Новорязанское
Площадь строения: 160 м²
Площадь участка: 6 соток
Материал стен: Кирпич
Кадастровый номер: 50:23:0040435:309
Этажей: 2
Газ: Есть
Бассейн: Нет
Сауна: Нет
Продаётся НОВЫЙ, готовый к проживанию дом - 160 м² на участке 6 соток в селе Константиново, Раменский ГО, всего 22 км от МКАД по Каширскому либо Новорязанскому шоссе.
Подходит под СЕМЕЙНУЮ ИПОТЕКУ, в трёхстах метрах от дома детский сад и школа.
О ДОМЕ И УЧАСТКЕ
• Материал стены: тёплый газоблок, утеплитель и кирпич. Надёжные перекрытия - бетонные плиты.
• Площадь дома: 160 м² - Участок: 6 соток, ровный, огорожен металлическим забором.
• Категория земель: земли населённых пунктов, для ведения личного подсобного хозяйства - ЛПХ (можно прописаться, содержать животных).
• Дом и участок зарегистрированы, получен адрес, документы готовы к продаже. Быстрый и чистый выход на сделку.
• ГАЗ по границе участка – возможность в любой момент завести в дом ГАЗ
Хороший подъезд к дому, зимой чистят. Справа и сзади соседи, напротив дома через дорогу поле и лес.
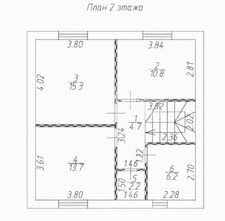
ПЛАНИРОВКА комфортная для семьи
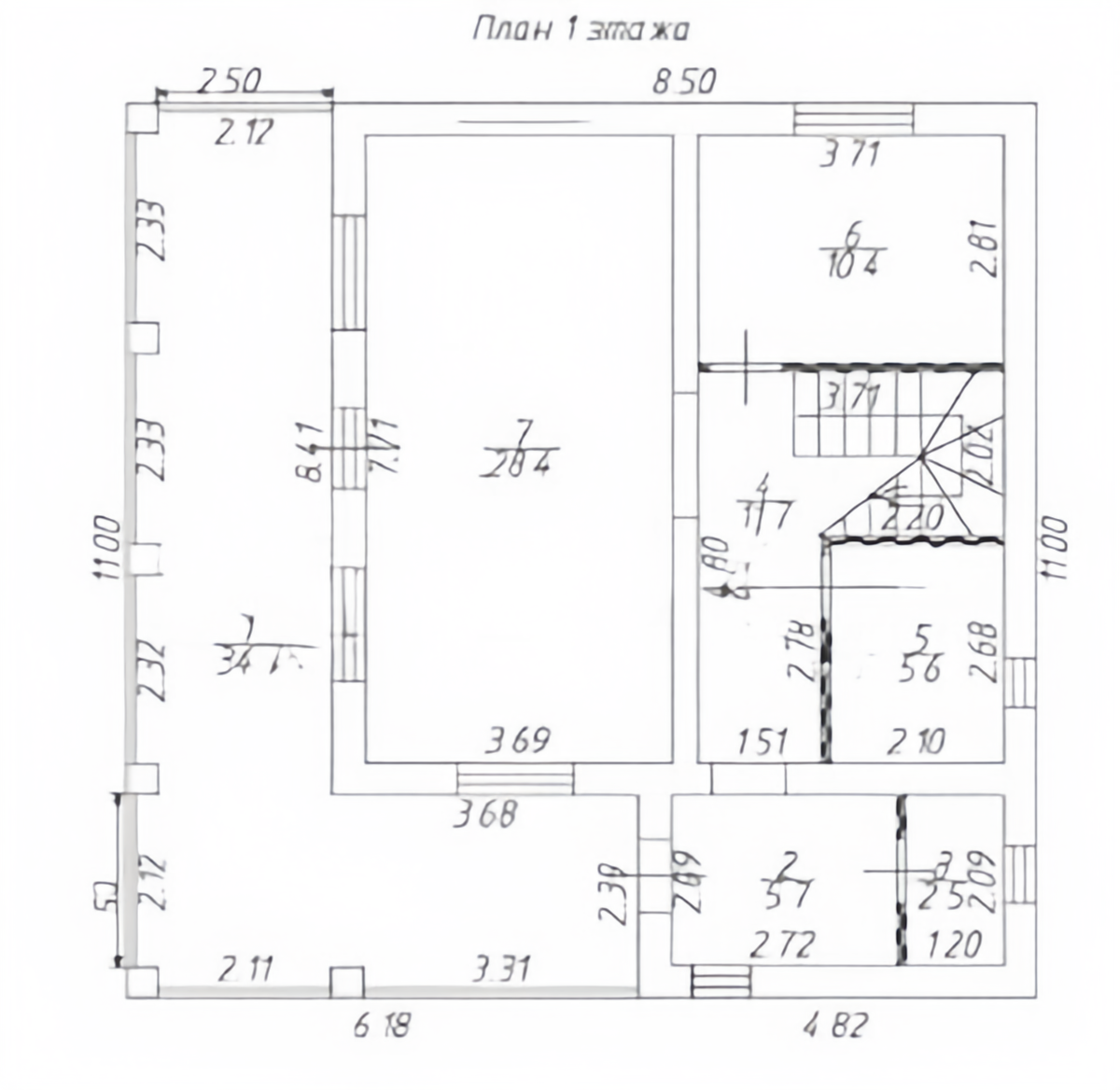
1-й этаж: Просторная прихожая, Бойлерная, Санузел, Большая кухня-гостиная для семьи и гостей, с выходом на большую угловую веранду, Отдельная изолированная комната (спальня, кабинет или комната для родителей), Большая угловая веранда – идеальное место для отдыха в тёплое время года
2-й этаж: Три полноценные комнаты правильной формы, Удобная гардеробная, Второй санузел – никакой очереди по утрам.
ОТДЕЛКА – полностью готов к проживанию.
• На первом этаже: На полу – плитка и водяной тёплый пол, Стены – оштукатурены и окрашены качественной краской, Потолки – натяжные
• На втором этаже: Пол – ламинат, Стены – окрашены, Потолки – натяжные.
Все выполнено в нейтральных тонах – легко расставить мебель и декор «под себя».
ТЕХНИЧЕСКИЕ ХАРАКТЕРИСТИКИ – надёжность и экономия
• Фундамент: глубокий ленточный + стяжка на 1-м этаже
• Электричество: 15 кВт, три фазы, полностью разведено по дому
• Отопление: электрокотёл, 1-й этаж – водяной тёплый пол (комфорт и экономия), 2-й этаж – радиаторы
• Вода: своя скважина 62 метра – всегда чистая вода без платежей за водоснабжение
• Канализация: септик
• Окна: пластиковые, двухкамерные стеклопакеты
• Крыша: металлочерепица. Дом тёплый, сухой.
ИНФРАСТРУКТУРА – всё рядом
В пешей доступности:
• Школа – 4 минут ходьбы, Детский сад – около 8 минут пешком
• Сетевые магазины, Автобусная остановка, Больница
Удобный выезд на Каширское и Новорязанское шоссе, до Москвы – комфортные 20–30 минут на авто (в зависимости от времени суток).
ИПОТЕКА И СОПРОВОЖДЕНИЕ
• Дом подходит под СЕМЕЙНУЮ ИПОТЕКУ
• Работаем со многими банками
• Бесплатно поможем одобрить ипотеку именно под этот дом
• Полное юридическое сопровождение до получения Вами права собственности
• По желанию можем построить похожий дом на вашем участке
Идеальный вариант для семьи, которая хочет жить в своём новом доме уже сейчас, без ремонта и долгого ожидания стройки.
Площадь участка: 6 соток
Материал стен: Кирпич
Кадастровый номер: 50:23:0040435:309
Этажей: 2
Газ: Есть
Бассейн: Нет
Сауна: Нет
Продаётся НОВЫЙ, готовый к проживанию дом - 160 м² на участке 6 соток в селе Константиново, Раменский ГО, всего 22 км от МКАД по Каширскому либо Новорязанскому шоссе.
Подходит под СЕМЕЙНУЮ ИПОТЕКУ, в трёхстах метрах от дома детский сад и школа.
О ДОМЕ И УЧАСТКЕ
• Материал стены: тёплый газоблок, утеплитель и кирпич. Надёжные перекрытия - бетонные плиты.
• Площадь дома: 160 м² - Участок: 6 соток, ровный, огорожен металлическим забором.
• Категория земель: земли населённых пунктов, для ведения личного подсобного хозяйства - ЛПХ (можно прописаться, содержать животных).
• Дом и участок зарегистрированы, получен адрес, документы готовы к продаже. Быстрый и чистый выход на сделку.
• ГАЗ по границе участка – возможность в любой момент завести в дом ГАЗ
Хороший подъезд к дому, зимой чистят. Справа и сзади соседи, напротив дома через дорогу поле и лес.
ПЛАНИРОВКА комфортная для семьи
1-й этаж: Просторная прихожая, Бойлерная, Санузел, Большая кухня-гостиная для семьи и гостей, с выходом на большую угловую веранду, Отдельная изолированная комната (спальня, кабинет или комната для родителей), Большая угловая веранда – идеальное место для отдыха в тёплое время года
2-й этаж: Три полноценные комнаты правильной формы, Удобная гардеробная, Второй санузел – никакой очереди по утрам.
ОТДЕЛКА – полностью готов к проживанию.
• На первом этаже: На полу – плитка и водяной тёплый пол, Стены – оштукатурены и окрашены качественной краской, Потолки – натяжные
• На втором этаже: Пол – ламинат, Стены – окрашены, Потолки – натяжные.
Все выполнено в нейтральных тонах – легко расставить мебель и декор «под себя».
ТЕХНИЧЕСКИЕ ХАРАКТЕРИСТИКИ – надёжность и экономия
• Фундамент: глубокий ленточный + стяжка на 1-м этаже
• Электричество: 15 кВт, три фазы, полностью разведено по дому
• Отопление: электрокотёл, 1-й этаж – водяной тёплый пол (комфорт и экономия), 2-й этаж – радиаторы
• Вода: своя скважина 62 метра – всегда чистая вода без платежей за водоснабжение
• Канализация: септик
• Окна: пластиковые, двухкамерные стеклопакеты
• Крыша: металлочерепица. Дом тёплый, сухой.
ИНФРАСТРУКТУРА – всё рядом
В пешей доступности:
• Школа – 4 минут ходьбы, Детский сад – около 8 минут пешком
• Сетевые магазины, Автобусная остановка, Больница
Удобный выезд на Каширское и Новорязанское шоссе, до Москвы – комфортные 20–30 минут на авто (в зависимости от времени суток).
ИПОТЕКА И СОПРОВОЖДЕНИЕ
• Дом подходит под СЕМЕЙНУЮ ИПОТЕКУ
• Работаем со многими банками
• Бесплатно поможем одобрить ипотеку именно под этот дом
• Полное юридическое сопровождение до получения Вами права собственности
• По желанию можем построить похожий дом на вашем участке
Идеальный вариант для семьи, которая хочет жить в своём новом доме уже сейчас, без ремонта и долгого ожидания стройки.
Продажа квартир
Аренда квартир
Загородная недвижимость
Коммерческая недвижимость
Элитная недвижимость


























